Serie AT-2000
ATEX/IECEx Magnehelic® Differenzdruckmessgerät
Das Differenzdruckmessgerät der Serie AT-2000 kombiniert das bewährte Magnehelic®-Messwerk mit einem eigensicheren ATEX/IECEx-Gehäuse für explosionsgefährdete Bereiche. Es misst positive, negative oder Differenzdrücke mit einer Genauigkeit von ±2 % und ist für den Einsatz mit Luft und nicht brennbaren, kompatiblen Gasen vorgesehen. Das Gehäuse ist IP66-geschützt, temperatur- und stoßfest sowie in verschiedenen Anschlussvarianten erhältlich.
Produktabbildungen
Standardansicht
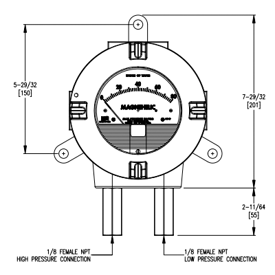
Abmessungen
Vorteile / Eigenschaften
- Schnelle Reaktion auf Druckänderungen – ideal für sicherheitsrelevante Anwendungen
- Robustes Aluminiumgehäuse mit hoher Schlag- und Temperaturbeständigkeit
- Explosionsgeschütztes Design nach ATEX und IECEx
- Verbessertes Ansprechverhalten bei niedrigen Drücken durch spezielle Anschlusskonfiguration
Typische Anwendungen
- Drucküberwachung an Lüftern und Gebläsen
- Filterüberwachung
- Luftgeschwindigkeitsmessung
- Brennkammer- und Ofenzugmessung
- Füllstandsmessung mit Blasrohrsystemen
- Druckmessung in fluidischen Steuerungssystemen
Technische Daten
| Messmedium | Luft und nicht brennbare, kompatible Gase |
|---|---|
| Gehäusematerial | Aluminium-Druckguss mit Acrylabdeckung, IP66 |
| Oberfläche | Texturierte Epoxidbeschichtung RAL7015 |
| Genauigkeit | ±2 % vom Endwert |
| Temperaturbereich | -6,67 °C bis +60 °C (optional bis -28,8 °C) |
| Anschluss | 1/8" NPT Innengewinde, Messing (optional Edelstahl) |
| Montage | Vertikale Einbaulage empfohlen |
| Schutzart | IP66 (bei VS1, VS2, VL1: IP65) |
| Gewicht | 4,8 kg |
| Zertifikate | ATEX: INERIS 21ATEX0033X, IECEx: IECEx INE 21.0064X |