Serie DHII
Digihelic® II Differenzdruckwächter
Die Serie DHII ist die Weiterentwicklung der bekannten Digihelic®-Reihe. Das Gerät vereint Differenzdruckmessung, Anzeige, Steuerung und zwei Alarmrelais in einem kompakten Gehäuse. Es ist BACnet-kompatibel und eignet sich ideal für HLK-Anwendungen.
Produktabbildungen
Standardansicht
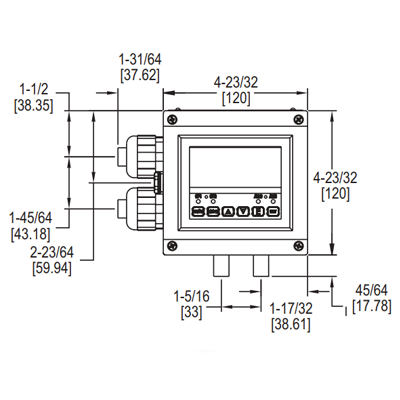
Abmessungen
Vorteile / Eigenschaften
- BACnet MS/TP Schnittstelle integriert
- 2 Relaisausgänge für Alarm- und Steuerzwecke
- 3-farbige LED zur Statusanzeige
- Menüführung in mehreren Sprachen
- Kompakte DIN-Schalttafelmontage
Typische Anwendungen
- Raumdrucküberwachung
- Filterkontrolle
- Lüftungs- und Klimasteuerung
- Gebäudeautomation
Technische Daten
| Messbereich | je nach Modell bis ±25 mbar |
|---|---|
| Ausgangssignal | 0–10 V, 4–20 mA |
| Relaisausgänge | 2 × potentialfrei |
| Versorgung | 24 V AC/DC |
| Anschluss | 4 mm Schlauch oder NPT |
| Schnittstellen | BACnet MS/TP |
Zubehör
| Modell | Beschreibung |
|---|---|
| A-630 | Montageadapter für Schalttafeleinbau |
| A-489 | 4″ Druckabgriff mit Flansch |