Serie AT-1900
ATEX / IECEx Differenzdruckschalter auf Basis Serie 1900
Der ATEX-zertifizierte Differenzdruckschalter der Serie AT-1900 basiert auf der bewährten Mechanik der Serie 1900 und ist für Zone-2-Bereiche zugelassen.
Produktabbildungen
Standardansicht
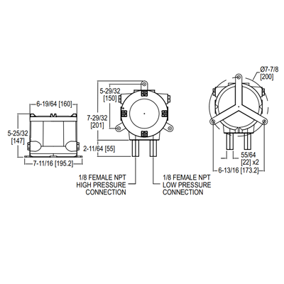
Abmessungen
Vorteile / Eigenschaften
- Zertifiziert nach ATEX / IECEx
- Mechanischer Federdruckschalter
- Geeignet für HLK- und Prozessanwendungen
Typische Anwendungen
- Filterüberwachung in EX-Zonen
- Industrielle Drucküberwachung
- Luftstromkontrolle
Technische Daten
| Zulassung | ATEX & IECEx |
|---|---|
| Ausgang | SPDT |
| Gehäuse | Metall, explosionsgeschützt |
| Temperaturbereich | -20 bis +85 °C |