Serie 608
Differenzdrucktransmitter mit Remote-Anschluss
Die Serie 608 eignet sich für raue industrielle Anwendungen und bietet Fernsensoranschlüsse.
Produktabbildungen
Standardansicht
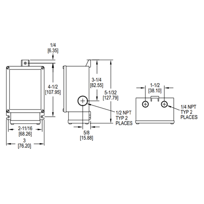
Abmessungen
Vorteile / Eigenschaften
- Fernanschluss-Sensoren möglich
- Robustes Gehäuse für Industrieumgebungen
- Ex-Schutz verfügbar
- Vielseitig einsetzbar
Typische Anwendungen
- Kraftwerke
- Prozessüberwachung
- Gas- und Dampfanlagen
Technische Daten
| Medien | Dampf, Gas, Flüssigkeiten |
|---|---|
| Gehäuse | Aluminium |
| Ausgang | 4–20 mA |
| Montage | Wand- oder Rohrmontage |
| Temperaturbereich | -40 bis +85 °C |