Serie DPT
Differenzdrucktransmitter mit NEMA-Gehäuse
Die Serie DPT ist ein robuster Differenzdrucktransmitter mit wetterfestem Gehäuse zur Montage im Außenbereich.
Produktabbildungen
Standardansicht
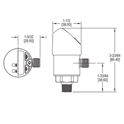
Abmessungen
Vorteile / Eigenschaften
- Wetterfestes NEMA 4X-Gehäuse
- Präzise Differenzdruckmessung
- Kompakte Bauform
- 0–10 V oder 4–20 mA Ausgang
Typische Anwendungen
- Außeninstallation
- HLK-Anlagen
- Gebäudeautomation
Technische Daten
| Medien | Luft und nicht aggressive Gase |
|---|---|
| Gehäuse | NEMA 4X, Kunststoff |
| Ausgang | 0–10 V / 4–20 mA |
| Versorgung | 12–30 VDC |
| Prozessanschluss | 1/4" NPT |
Zubehör
| Modell | Beschreibung |
|---|---|
| A-301 | Montagehalterung für Wandmontage |
| A-488 | Schalttafeladapter für Serie DPT |