Serie AP
Differenzdruckschalter für Luft
Die Serie AP ist ein druckempfindlicher Schalter für Luft oder nicht brennbare Gase, ideal zur Filterüberwachung oder Luftstromkontrolle.
Produktabbildungen
Standardansicht
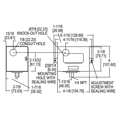
Abmessungen
Vorteile / Eigenschaften
- Differenzdruckmessung
- Kompaktes Gehäuse
- Justierbarer Bereich
- Geringer Schaltdruck
Typische Anwendungen
- Filterüberwachung
- Luftstrommessung
- Gebäudeautomation
Technische Daten
| Messmedium | Luft, nicht brennbare Gase |
|---|---|
| Kontakt | SPDT |
| Anschluss | 3/16" Schlauchtüllen |
| Gehäuse | Polycarbonat |
| Temperaturbereich | -20 bis 85 °C |