Serie 3200G
Drucktransmitter mit hoher Genauigkeit für Industrieprozesse
Die Serie 3200G liefert präzise Druckmessungen für anspruchsvolle industrielle Anwendungen.
Produktabbildungen
Standardansicht
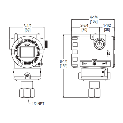
Abmessungen
Vorteile / Eigenschaften
- Hohe Genauigkeit (≤0,25 % FS)
- Robustes Gehäuse
- Verschiedene Prozessanschlüsse
- Digitale Temperaturkompensation
Typische Anwendungen
- Prozessindustrie
- Hydraulik
- Chemische Anlagen
Technische Daten
| Genauigkeit | ≤0,25 % vom Endwert |
|---|---|
| Ausgang | 4–20 mA |
| Material | Edelstahl 316 |
| Prozessanschluss | 1/2" NPT, G1/2" |
| Temperaturbereich | -40 bis 125 °C |