Serie 3400
Differenzdrucktransmitter mit hoher Auflösung
Die Serie 3400 bietet eine Kombination aus hoher Genauigkeit, Stabilität und einfacher Integration in Steuerungssysteme.
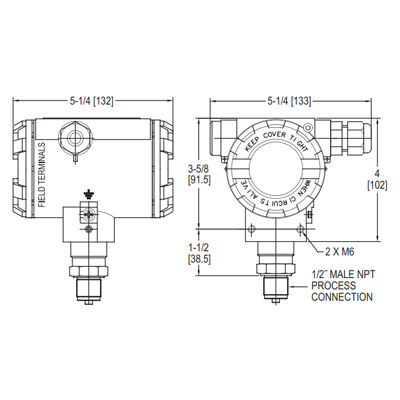
Produktabbildungen
Bild 1
Bild 2
Vorteile / Eigenschaften
- Hohe Langzeitstabilität
- Optionales Display
- Kompaktes Design
- Mehrere Ausgangssignale wählbar
Typische Anwendungen
- Filterüberwachung
- Gebäudetechnik
- Industriesteuerung
Technische Daten
| Ausgang | 0–10 V, 4–20 mA, RS485 |
|---|---|
| Versorgung | 12–30 VDC |
| Druckbereiche | modellabhängig |
| Gehäuse | Kunststoff |
| Schutzklasse | IP65 |