Serie 160E
Pitotrohr mit elliptischer Spitze nach ISO 3966
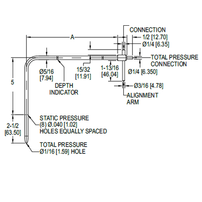
Das Modell 160E verwendet eine spezielle elliptische Spitzenform für eine besonders gleichmäßige Anströmung und präzise Messergebnisse. Die verstellbaren Tiefenanschläge ermöglichen eine wiederholbare Positionierung bei Traversierungen in Luftkanälen.
Produktabbildungen
Pitotrohr mit Tiefenmarkierung
Abmessungen
Vorteile / Eigenschaften
- Spitzenform gemäß ISO 3966
- Verstellbare Tiefenanschläge
- Leckdichte Silberlötverbindungen
Typische Anwendungen
- Strömungsmessung in HLK-Kanälen
- Prüfung nach europäischen Normen
Technische Daten
| Material | Edelstahl (304) |
|---|---|
| Spitzenform | Ellipsoid |
| Prozessanschluss | 1/4″ |
| Besonderheit | Normgerecht nach ISO 3966 |
Zubehör
| Modell | Beschreibung |
|---|---|
| A-160-CASE | Transportkoffer für Pitotrohre bis 1,22 m |