Serie PAFS-1000
Strömungssensor mit Pitotrohr und Messumformer
Die Serie PAFS-1000 vereint ein mehrpunktiges Pitotrohr mit einem integrierten Differenzdrucksensor. Das Gerät wird direkt im Lüftungskanal montiert und liefert ein analoges Spannungssignal proportional zum Volumenstrom. Ideal zur einfachen Nachrüstung von Luftmengenerfassungen in HLK-Anlagen.
Produktabbildungen
Sensorstab mit Abgriffpunkten
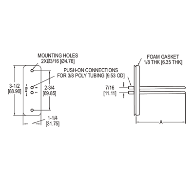
Abmessungen
Vorteile / Eigenschaften
- Integrierter Differenzdrucksensor
- Spannungsausgang 0–5 V oder 0–10 V
- Verschiedene Längen verfügbar
Typische Anwendungen
- Luftmengenmessung in HLK-Kanälen
- Nachrüstung bestehender Anlagen
Technische Daten
| Ausgangssignal | 0–5 V oder 0–10 V |
|---|---|
| Betriebsspannung | 18–24 V AC/DC |
| Montage | kanalseitig mit Befestigungsflansch |