Serie VF
Visi-Float Acryl-Schwebekörper-Durchflussmesser
Die Serie VF Visi-Float® umfasst direktablesbare Schwebekörper-Durchflussmesser aus klar bearbeitetem Acryl für Gase und Flüssigkeiten. Die Skalenlängen betragen 2" (VFA) oder 4" (VFB). Die heißgeprägte Skala auf hellem Hintergrund erlaubt eine sehr gute Ablesbarkeit. Optional sind Dosierventile, Edelstahlteile und Endanschlüsse verfügbar. Die Serie basiert auf über 60 Jahren Erfahrung in der Acrylbearbeitung.
Produktabbildungen
Standardansicht
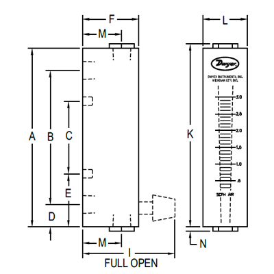
Abmessungen
Vorteile / Eigenschaften
- Gute Ablesbarkeit durch weiße Skalenfläche und heißgeprägte Einheiten
- Präzise gefertigte konische Messbohrung für hohe Wiederholbarkeit
- Robustes, transparentes Acrylgehäuse
- Ventiloptionen: ohne, Messing, Edelstahl
- Endanschlüsse und Edelstahl-Bauteile optional
Typische Anwendungen
- Labore, Medizintechnik, Gasanalytik
- Luftprobenahme und Umweltmessung
- Chemikaliendosierung
Technische Daten
| Medien | Kompatible Gase und Flüssigkeiten |
|---|---|
| Körpermaterial | Klarsicht-Acryl |
| Dichtung | Buna-N (optional Fluorelastomer) |
| Metallteile | Messing vernickelt (Standard), Edelstahl optional |
| Temperatur-/Druckgrenzen | Ohne Ventil: 6,9 bar @ 65°C, 10 bar @ 38°C; Mit Ventil: 6,9 bar @ 48°C |
| Genauigkeit | VFA: ±5% FS, VFB: ±3% FS |
| Prozessanschluss | 1/8" NPT; VFB: 1/4" oder 3/8" NPT je nach Typ |
| Skalenlänge | VFA: 2", VFB: 4" |
| Montage | Nur vertikal |
| Gewicht | VFA: 0,11–0,14 kg, VFB: 0,20–0,25 kg |
| Konformität | RoHS II |
Zubehör
| Modell | Beschreibung |
|---|---|
| RK-VFB / RKA | Druckregler-Kit für VFB / VFA |
| -NIST | NIST-Zertifikat (Werksrückführung) |
| -PF | Rote Zeigerflagge |
| -VIT | Fluorelastomer-O-Ringe |