Serie F7-MM
Kompakter Multi-Station-Füllstandschalter mit bis zu fünf Schaltpunkten
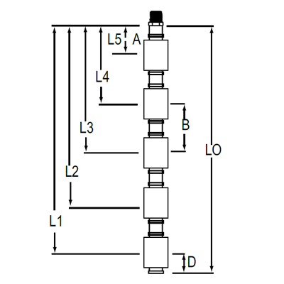
Der F7-MM ist ein anwendungsspezifisch gefertigter Miniatur-Füllstandsschalter für die Überwachung mehrerer Pegel in einem einzigen Gerät. Er unterstützt bis zu fünf Schaltpunkte entlang einer maximalen Gesamtlänge von 121 cm. Dank verschiedener Schwimmermaterialien und Prozessanschlüsse kann der Schalter optimal auf kundenspezifische Anforderungen angepasst werden.
Produktabbildungen
Standardansicht
Abmessungen
Vorteile / Eigenschaften
- Bis zu 5 individuell konfigurierbare Schaltpunkte
- Kompakte, leichte Bauweise
- Robuste Ausführung für industrielle Anwendungen
- Hohe Flexibilität bei Temperatur, Druck und Medium
Typische Anwendungen
- Wasserstandskontrolle
- Ölstandregelung
- Tankanwendungen
- Diesel- und Kraftstoffsysteme
Technische Daten
| Messmedien | Kompatible Flüssigkeiten |
|---|---|
| Materialien | Schwimmer: Buna-N, Edelstahl 316, PTFE Stab und Anschluss: Messing oder Edelstahl 316 |
| Temperaturbereich | Buna-N: Wasser bis 82 °C, Öl bis 121 °C Andere Schwimmer: -40 bis 149 °C |
| Elektrischer Anschluss | 61 cm freie Litzen, #22 AWG, TFE-ummantelt |
| Montagerichtung | Vertikal ±30° |
| Schaltertyp | SPST (zwei Ausführungen verfügbar) |
| Schaltleistung | Typ 1: 0,17 A @ 120 VAC / 0,13 A @ 120 VDC Typ 2: 0,8 A @ 120 VAC |
| Prozessanschluss | 1/8" NPT, 3/4" NPT, 1" NPT, Flansch, UNF oder 3/8-24 |
| Schwimmerauswahl | 8 verschiedene Modelle für spezifische Dichte und Druckbereiche |
| Gesamtlänge | Bis 121 cm |